Главная страница
Аренда
О Компании
О заводе
Новости
Контакты
Продукция
Хомутовые леса
Общие сведения
Документация
Элементы конструкции
Чертежи
Цена
Настил
Штыревые леса
Э-507 (тяжелые)
Общие сведения
Документация
Элементы конструкции
Чертежи
Цена
Настил
Фото
ЛСПШ-2000-40 (легкие)
Общие сведения
Документация
Элементы конструкции
Чертежи
Цена
Настил
Рамные леса
Общие сведения
Документация
Элементы конструкции
Чертежи
Цена
Настил
Фото
Вышки-туры
Балатон-8
Общие сведения
Документация
Элементы конструкции
Чертежи
Цена
Балатон-12
Общие сведения
Документация
Элементы конструкции
Чертежи
Цена
Балатон-20
Общие сведения
Документация
Элементы конструкции
Чертежи
Цена
Стойки для опалубки
Общие сведения
Документация
Элементы конструкции
Чертежи
Подъемники мачтовые
ПМГ-1-Б
Общие сведения
Документация
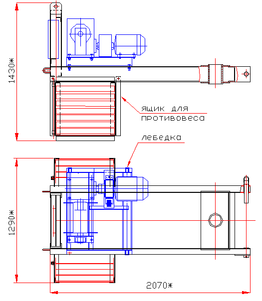
Чертежи
Цена
Фото
ПМГ-75
Общие сведения
Документация
Чертежи
Цена
Фото
ПМГ-21-1Т
Общие сведения
Цена
Фото
Краны подъемные
Балатон-1Т
Общие сведения
Документация
Чертежи
Цена
Фото
Балатон 200/300
Общие сведения
Документация
Цена
Помосты
Общие сведения
Документация
Элементы конструкции
Чертежи
Фото
Ящик растворный
Подмости каменщика
Общие сведения
Документация
Чертежи
Цена
Фото
Полезное
Как выбрать?
Фотогалерея
Login:
Пароль:
Чертежи
Платформа поворотная, Оттяжка
Оттяжка
г. Москва, Горьковское шоссе, 50/3
тел. (495) 766-66-63, 766-06-99 e-mail:
mosbalaton@mail.ru